Accueil
Documentations
Catalogues fabricants
Vente
Boutique Naturabuy
Pièces détachées
Références
Armes
Accessoires
Outillage
Coutellerie
Questions/Réponses
Comment commander
Information CGV
Mentions Légales
Contactez-nous
jepercute.com: Dillon
Back
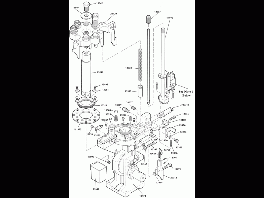
Marque : Dillon, Modèle : outillage RL1050 upper machine 1 rechargement tir.
Back
Powered by
Joomla
- Designed by
Digital-Willy'z Studio